|
一、KT(TK)型金屬油擴散泵概述:
KT(TK)型金屬油擴散泵與K型金屬油擴散泵相比,KT(TK)型金屬油擴散泵的抽速可提高30—50%,它亦應用于電子工業、化工、原子能工業、空間模擬試驗。KT(TK)型金屬油擴散泵用于高真空和超高真空抽除高真空系統中對工作液體無嚴重危害的氣體,它不能直接對大氣排氣,需要配置前級泵。
二、KT(TK)型金屬油擴散泵的原理:
當前級泵將KT(TK)型金屬油擴散泵內抽至此10pa左右的預真空后,在室溫下具有低飽和蒸汽壓的工作液,由加熱器加熱,產生的油蒸汽沿蒸汽導管向上運動,經幾級噴嘴定向,高速噴出,將擴散在油蒸汽中的氣體帶到前級端。由前級泵排除到大氣中,油蒸汽噴射在泵壁后,遇到冷卻后,又流回到泵底,由此重復工作,從而達到高真空目的。
三、KT(TK)型金屬油擴散泵特點:
1、抽速大(與K系列泵相比,TK、 KT泵的抽速可提高30-50%)
2、工作可靠
3、使用壽命長
常用于要求抽氣時間和排氣量大的場合 |
四、KT(TK)型金屬油擴散泵技術參數表: |
| 型號 |
TK-150 |
TK-200 |
TK-300 |
TK-400 |
TK-500 |
KT-200 |
KT-400 |
| 極限壓力(Pa) |
7×10-5 |
| 抽氣速率(L/s) |
1000 |
2000 |
4000 |
7000 |
10000 |
2000 |
7000 |
| 最大排氣壓力 (Pa) |
40 |
| 注入油量(L) |
0.3 |
0.5 |
1.43 |
2.4 |
3.7 |
0.55 |
3.5 |
| 加熱功率(kw) |
1.2 |
1.5 |
2.4 |
4.5 |
6 |
1.6 |
4.5 |
| 冷卻水耗量 (L/min) |
5 |
5 |
6 |
8 |
8 |
5 |
8 |
|
| 五、KT(TK)型金屬油擴散泵的性能曲線圖: |
 |
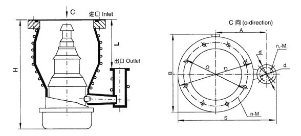
| 六、KT(TK)型金屬油擴散泵的外形圖及尺寸: |
 |
| 型號 |
S |
B |
H |
A |
L |
D |
D1 |
d |
d1 |
n-M |
n1-M1 |
| TK-100 |
260 |
170 |
365 |
130 |
125 |
170 |
145 |
78 |
64 |
4-M10 |
4-M6 |
| TK-150 |
356 |
240 |
480 |
180 |
165 |
220 |
195 |
110 |
90 |
8-M10 |
4-M8 |
| TK-200 |
455 |
290 |
550 |
240 |
200 |
275 |
250 |
125 |
105 |
8-M10 |
4-M8 |
| TK-300 |
625 |
450 |
720 |
330 |
280 |
380 |
350 |
145 |
125 |
8-M12 |
4-M8 |
| TK-400 |
800 |
560 |
900 |
440 |
360 |
500 |
465 |
170 |
145 |
16-M16 |
4-M10 |
| TK-500 |
900 |
700 |
1050 |
500 |
500 |
600 |
565 |
195 |
170 |
12-M16 |
8-M10 |
| KT-200 |
440 |
290 |
550 |
240 |
200 |
275 |
250 |
125 |
105 |
8-M10 |
4-M8 |
| KT-400 |
750 |
560 |
890 |
440 |
360 |
510 |
480 |
165 |
145 |
16-M12 |
4-M8 |
|
上海飛魯真空泵廠有限公司主要真空泵產品有:旋片式真空泵系列、水環式真空泵系列、往復式真空泵系列、羅茨真空泵系列、滑閥式真空泵系列、水噴射真空泵系列、擴散泵系列、真空機組系列等泵類產品及真空泵配件,我公司擁有豐富的生產歷史,技術精良,產品質量穩定可靠,公司恪守“以誠信,市場,互利”的宗旨,重合同,守信用。為您提供優質的產品、良好的服務,做您忠實可靠的合作伙伴, 竭誠歡迎各界新老朋友前來光臨洽談合作!
我公司免費咨詢電話:400-021-5161
感謝您訪問我公司的網站,如有任何疑問.您可以致電給我們,我們一定會盡心盡力為您提供優質的服務。
相關擴散泵系列產品:
K型擴散泵
KT(TK)型金屬油擴散泵
|